几乎所有的现代工业系统都会使用交流/DC电源,它从交流电网中获取电能,并将其转换成调节良好的DC电压,输送给用电设备。随着世界范围内电力消耗的增加,交流/DC电力转换过程中的相关能量损失已经成为电力设计者,尤其是电信和服务器领域的设计者的整体能量成本计算的重要部分。
本文引用的地址:
氮化镓可以提高能效,降低交流/DC功率损耗,进而帮助降低终端应用的拥有成本。例如,在基于GaN的图腾柱功率因数校正的帮助下,即使效率增益仅为0.8%,也可以帮助一个100MW的数据中心在10年内节省高达700万美元的能源成本。
选择合适的PFC级拓扑。
世界各地的政府法规要求在交流/DC电源中使用PFC级,以便从电网中获得纯电能。PFC将交流输入电流整形为与交流输入电压相同的形状,从而充分提高从电网获得的实际功率,使用电设备等效为一个无功功率为零的纯电阻。
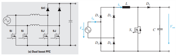
如图1所示,传统PFC拓扑包括升压PFC(交流线路后的全桥整流器)和双升压PFC..传统的boost PFC是一种常见的拓扑结构,它包括一个具有高导通损耗的前端桥式整流器。双升压PFC可以降低传导损耗。它没有前端桥式整流器,但需要额外的电感,所以在成本和功率密度方面受到影响。

图1: PFC拓扑。左:双升压PFC;右图:其他可能提高效率的升压PFC拓扑包括交流开关无桥PFC、有源桥PFC和无桥图腾柱PFC(如图2所示)。交流开关拓扑使用两个高频场效应晶体管(FET)在导通状态下导电,使用一个碳化硅(SiC)二极管和一个硅二极管在关断状态下导电。有源桥式PFC用四个低频fet取代连接到交流线路的二极管桥式整流器,但这需要额外的控制和驱动电路。有源桥式PFC在导通状态下使用三个fet导通,在关断状态下使用两个低频fet和一个SiC二极管导通。
相比之下,图腾柱PFC在导通和关断状态下都只使用一个高频FET和一个低频硅FET导电,功耗是三种拓扑中最低的。此外,图腾柱PFC需要更少的功率半导体元件,考虑到整体元件数量、效率和系统成本,这是非常有吸引力的。

图2:各种PFC开关拓扑GaN在图腾柱PFC中的作用。
传统的硅金属氧化物半导体场效应晶体管(MOSFET)不适合图腾柱PFC,因为MOSFET的体二极管具有非常高的反向恢复电荷,会导致高功率损耗和击穿损坏的风险。与硅相比,SiC功率MOSFET略有提高,本征体二极管反向恢复电荷更低。
此外,GaN提供零反向恢复损耗,并且在三种技术中具有最低的整体开关能量损耗,比类似的SiC MOSFET低50%以上。这主要是因为GaN具有更高的开关速度(100V/ns或更高),更低的寄生输出电容和零反向恢复。GaN FET中没有体二极管,完全消除了击穿的风险。
TI最近与Vertiv合作了一项设计,使其3.5kW整流器实现了98%的峰值效率,与上一代硅3.5kW整流器96.3%的峰值效率相比,实现了1.7%的效率增益。这种效率优势体现在实际例子中。使用基于GaN的图腾柱PFC可以帮助100MW的数据中心在10年内节省高达1490万美元的能源成本,同时减少二氧化碳排放。
TI GaN的反向恢复损耗为零,输出电容和重叠损耗低,使得台达电子的PFC在数据中心的高能效服务器电源中达到99.2%的峰值效率。在TI GaN FET中集成的栅极驱动器的帮助下,FET的开关速度可高达150V/ns,降低了高开关频率下的整体损耗,使台达实现了功率密度提高80%,效率提高1%。
GaN技术在图腾柱PFC设计上的优势毋庸置疑。越来越多的电力设备设计师转向GaN,GaN厂商也在不断发布创新产品。电信和服务器电源设计人员可以期待功率密度和能效的不断提高。
微信扫码
QQ扫码
您的IP:10.1.228.218,2025-12-29 12:58:50,Processed in 0.38874 second(s).