在本文介绍6ES7331-7KF02-0AB0模拟量输入所有测量值显示满量程(上溢)的故障处理方法,对仪表工用好有所帮助。
本文引用地址:
在本文介绍6ES7331-7KF02-0AB0模拟量输入所有测量值显示满量程(上溢)的故障处理方法,对仪表工用好有所帮助。
背景介绍
1、西门子PLC模拟量输入模块6ES7331-7KF02-0AB0。
2、模块4个通道接2线制仪表,仪表通过隔离式安全栅接至模块。
3、2个通道接4线制仪表,其中一个是露点仪。
故障分析与处理
1、故障模块和正常模块互换位置,发现只有在特定位置的模块会出现故障。排除模块故障。
2、在控制柜内依次拆除各通道接线,拆除露点仪接线后,其他通道测量值恢复正常。经检查发现露点仪4-20mA信号负端接地。
3、恢复其他通道接线,单独断开露点仪接线,测量值正常片刻后,再次溢出。
4、将2线制仪表跳过隔离式安全栅,直接接入模块后各通道恢复正常。
5、测量仪表24VDC电源,正与负端电压约24V,正与地电压约12V,地与负端电压约12V。
6、将24VDC电源负端接地,系统恢复正常。
7、恢复安全栅接线,恢复露点仪接线,系统正常。
故障原因
参考电位差异,引起共模干扰,造成模块6ES7331-7KF02-0AB0测量值溢出。
故障改善措施
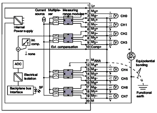
1、6ES7331-7KF02-0AB0正确的接线

模拟量输入模块6ES7331-7KF02-0AB0用于电流测量的2线制和4线制测量传感器的连接时首先必须根量程卡位置,2线制电流为D,4线制测量为C;两线制电流测量时直接连接到模块端子上,如连接到通道CH0时,把测量的正M0 连接到端子2上,测量的负M0-连接到端子3上,无须接地;4线制测量时,如果使用隔离电源时,必须将所有测量电路的M-与参考电位Mana(模块端子11)相连接,并与模块的电源M-进行等电位连接,并一起进行功能性接地;如果使用非隔离电源的接地4线制传感器时,不需要互连MANA和M-(端子 11、13、15、17、19)的情况,因为测量信号负端M-与本地接地电位已经互连,并且参考电势Mana和本地接地点也已经互连。COMP 是用于外部补偿,而Mana是参考电位,一般模拟量输入模块6ES7331-7KF02-0AB0使用内部补偿,所以必须将COMP 与参考电位Mana短接。
2线制输入,不推荐把模块设为4线制,再串电源的接法;无论2线制或4线制输入,对6ES7331-7KF02-0AB0来说都是正接正,负接负,只是电流流向是反的,2线制电流接法的电流是流出模块的,而4线制电流接法的电流是流入模块的;将模板的测量模块,及在其属性中作相应的设置,即2线制或4线制。同一组2通道的输入类型必须一致。测量模块与模板属性设为2线制或4线制即可。
2、一直是显示满量程?
若排除测量模式和量程卡的问题后,问题仍存在,可能是共模电压过高。制造有限公司的经验是:采用模拟量信号隔离器或,其后以4线制信号接入6ES7331-7KF02-0AB0模块。
3、如何避免6ES7331-7KF02-0AB0模块超过共模电压(Ucm)以及如何避免出现随后的上溢或下溢现象?
当输入端开路且连接了零电势测量变送器时,可能会稍稍超过共模电压值。因此,必须对隔离4线测量变送器、零电势电压传感器以及隔离热电偶采取如下措施:
①M- 输入端必须连接到模块地;
②MANA也必须接地;
③将没用到的COMP 端接地;
注意事项:如果没有采取这些措施,正常工作的测量变送器的测量值也有可能出现坏值。
通道组输入端的处理:
①如果通道组的两个输入端都没有使用,请将测量范围模块插入“D”设置;
②如果通道组有一个输入端没有使用;
③请参阅4-20mA测量范围手册里的说明书;
④短接电压/热电偶测量范围的开路输入端(将M 和M-连接在一起)并将其接地。
微信扫码
QQ扫码
您的IP:10.1.228.218,2025-12-23 01:51:21,Processed in 0.49877 second(s).