在集成度越来越高的电子产品上,往往同一块电路板上会设计多路、多种电源以供不同的需求使用。组合使用不同电源的话,电源之间难免会出现相互影响的情况。本文选择一种情况进行分析并提供参考解决方案。
本文引用地址:
双电源并用问题
曾经有客户在电源模块应用过程中出现过这样的应用场景,如下图1所示。客户使用两路电源给后端电路进行供电,要求在不断电的情况下切换输入电源,此过程中发现后端电路会出现损坏。对各个节点波形进行分析后发现,在给DC-DC模块进行上电的时候,模块输出端会产生一个13.12V的尖峰电压,当尖峰电压超过了后端电路的承受电压13V,就会导致后端电路损坏。

双电源并用问题分析
对客户板子使用双电源切换的情况进行了了解,客户在使用过程中是先通过TYPEC接口进行供电,然后再给DC-DC模块进行上电建立稳定的12V电源后,切换为由DC-DC模块进行供电。对客户电路进行分析后发现,在通过适配器进行供电时,适配器的12V电压会同时连接到DC-DC模块的输出端上。出现此情况原因可能是因为适配器的12V电压加到DC-DC模块输出端上,破坏了DC-DC模块的反馈环路信号,导致DC-DC模块输出电压出现尖峰,从而损坏了后端电路。通过对比验证在有无适配器供电时的DC-DC模块起机波形,验证我们的分析是正确的。对比波形如下图2、图3。
图2 先接入适配器供电后起机输出电压波形
图3 直接起机输出电压波形双电源并用问题解决方案
这个问题可以从源头或传播途径上去解决:从源头解决需要隔绝适配器电压对DC-DC模块的影响;从传播途径解决则需要将DC-DC模块产生的尖峰电压消除掉。
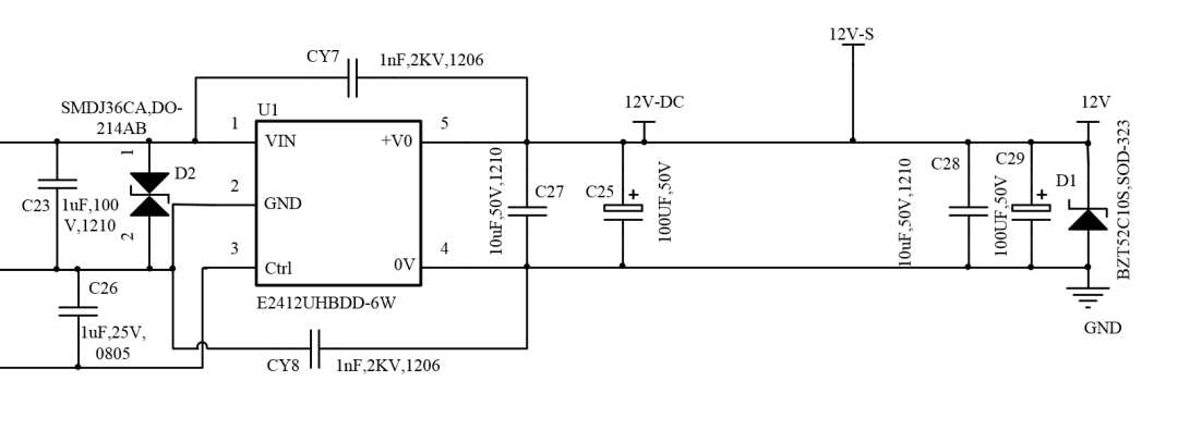
在DC-DC模块输出端增加一个二极管,以隔绝适配器电压的影响,如图4;
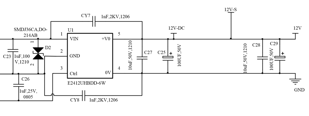
在后端负载电路前增加一个稳压二极管,将超出承受范围的电压尖峰消除掉,如图5。
图4 增加二极管电路
图5 增加稳压管电路双电源并用问题解决方案验证结果
以上两种方案验证结果如图6、图7所示。在DC-DC模块输出端增加一个二极管能够完全隔绝适配器电压对模块环路的影响,DC-DC模块在上电的时候完全没有产生尖峰电压。但是由于二极管存在的压降问题,使得DC-DC模块对后端电路的电压下降。在后端电路之前增加一个稳压二极管以消除掉产生的尖峰电压,能够看出来是有效果的,尖峰电压备压制到了12.4V ,已经小于后端最大承受电压,对此电路是有明显效果的。如果后端电路对于电压范围要求不是特别严格,选择在DC-DC模块输出端增加一个二极管能后更快捷的解决问题;如果电压要求严格的话推荐在后端电路之前接入稳压管更适合。
图6 增加二极管起机输出电压波形
图7 增加稳压管起机输出电压波形
微信扫码
QQ扫码
您的IP:10.1.201.110,2026-04-06 04:20:50,Processed in 0.03862 second(s).